上海恒點傳動設備有限公司
加微信聯系 恒點減速機QQ2:51228482
[HTML] [XML]  産品展示産品展示-RSS  新聞中心新聞中心-RSS  技術支持技術支持-RSS
産品分類: 減速機蝸輪絲杆升降機轉向箱蝸輪蝸杆減速機齒輪減速機行星齒輪減速機擺線針輪減速機無級變速機大功率減速器
上海恒點傳動設備有限公司
當前位置:網站首頁 > P系列行星齒輪減速器 > P系列行星齒輪減速器的額定熱容量

P系列行星齒輪減速器的額定熱容量 - P系列行星齒輪減速器

快速切換 選型參數及尺寸參數
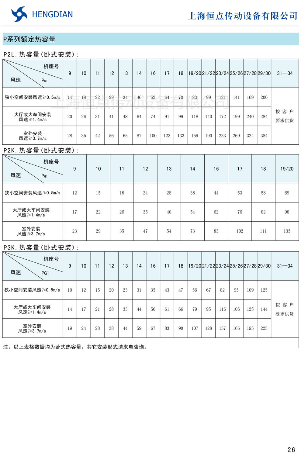
P系列行星齒輪減速器的額定熱容量 P2N,P2S,P3N,P3S,P2L,P2K,P3K
P系列行星齒輪減速器的額定熱容量
P系列行星齒輪減速器的額定熱容量
關閉本頁】 【打印本頁回到頂部
上一篇 上一篇:P系列行星齒輪減速器傳動能力表 下一篇 下一篇:P系列行星齒輪減速器外形尺寸

P系列行星齒輪減速器 詳細選型參數及尺寸參數:

1 - P系列行星齒輪減速器産品概述 2 - P系列行星減速器的型号規格表示方法
3 - P系列行星齒輪減速器的選型舉例 4 - P系列行星齒輪減速器的符号說明
5 - P系列行星齒輪減速器的服務系數 6 - P系列行星齒輪減速器傳動能力表
7 - P系列行星齒(chǐ)輪減速器的額(é)定熱容量 8 - P系列行星齒輪減速器外形尺寸
9 - P系列行星齒輪減速器組合型 10 - P系列行星齒輪減速器 輸出法蘭孔布置圖
11 - P系列行星齒輪減速器齒輪箱輸出軸 12 - P系列行星齒輪減速器的齒輪箱機座(附件代号-96)
13 - P系列行星齒輪減速器的單向扭力臂 14 - P系列行星齒輪減速器的雙向扭力臂
15 - P系列行星齒輪減速器扭轉軸支架 16 - P系列行星齒輪減速器的電機安裝支架
17 - P系列行星齒輪減速器帶電機法蘭輸入 18 - P系列行星齒輪減速器的附件代号
19 - P系列行星齒輪減速器垂直安裝時潤滑油補償油箱 20 - P系列行星齒輪減速器的安裝方位

電 話 :021-22815912  021-22816186  傳 真:021-32050712   郵箱:sales@021jsj.cn  減速機 絲杆升降機 轉向箱 蝸輪蝸杆減速機
Copyright©2009-2026上海恒點傳動設備有限公司 版權所有  地址:上海市金山區亭林鎮林寶路39号  郵編:200442  滬ICP備10206998号-2 
友情鏈接機械設備網 | 渦街流量計 | 輸送機 | 變頻控制櫃 | 破碎機 | 工業同城 | 手持終端 | 柴油發電機 | uv平闆打印機 | 風淋室 | QUV | 防火門 | 九愛圖紙 | 感應加熱設備 | 輸送帶廠家 | 噪聲治理 | 西門子plc | 拖鏈電纜 | AGV | 機械雜志 | 現代機械 | UWB高精度定位 |